High Speed Auger Drive Custom High Torque Agricultural Small Feed Mixer Planetary Gearbox for Trailed Feed Mixers
PAG Auger Drive Planetary Gear Reducer Gattle TMR Feed Mixer Gearbox for Trailed Vertical Stationary Machines Feeder Mixing
Oil-Free Ring Blower powerfans Side Channel Air Blower Vortex Gas Pump for Industrial Vacuum and Aquaculture Aeration Wastewater
High Precision CNC Machine Parts Guideway V Bar Gear Rack for Linear Motion Systems
Cultivator Parts U Ring Roller for twin row planting with roller holder frame scraper
Auger Flight Screw Section Equal Thickness Blades Split Blade of Equal Thickness for Mining, Agriculture Waste Treatment Systems
Agricultural Heavy-duty Combine Pack Roller for Seeder No-Till Drills Grain Drills Precision Planters
Cultivator Parts V Ring Roller for twin row planting with roller holder frame scraper
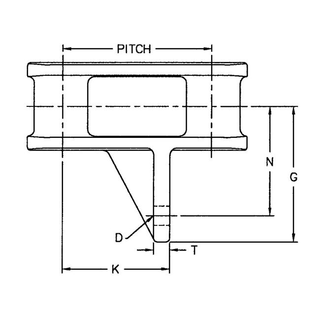
Cultivator Parts T Ring Roller Heavy-Duty T-Shaped Bearing Roller for Soil Rotary Harrow Tiller Agricultural
Corrosion Resistant Mixing Screw Stainless Steel Auger Shaft for Screw Conveyor for Food Chemical & Waste Processing
Precision Hardened Steel Rail Size 25 Flat Linear Guideway Rail for CNC Machines for High Load Linear Motion Systems
High Precision Size 15 Cylindrical Roller Bearing Linear Guide Plain Roller for Guideway CNC Machine Linear Motion System
High Precision Linear Guide Mounting Flange KSP15 for V Bars Size 15 CNC Automation Guideway System, Industrial Grade
ST2006 ST2010 Size 20 Guideway Flat Rail Linear Guideway Rail for CNC Machine Tool Precision Ground Hardened Steel Rail
Hardened Steel CNC Machine Parts VR25A VR25B Size 25 Roller for Guideway V Bars Linear Guide System




















